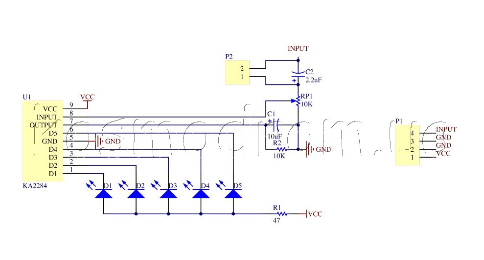
Famous Ka2284 Circuit Diagram References
Famous Ka2284 Circuit Diagram References. The ka2284, ka2285 are monolithic integrated circuit. How to make a vu meter by following the circuit diagram, using cd1403gs or ka2284 ic or ka2285 ic make your vu meter or audio level indicator.componant list.

It is suitable for ac/dc. Ka2284 datasheet, cross reference, circuit and application notes in pdf format. Audio power level indicator indicating module ka2284 pin connections.
#Led #Vumeter #Circuit #Diagram #Analog #Lb1403 #Ka2284 #Audio #Level #Indicator #Diy #Sound #Music #Reactive #Lightbar #Amplifier #Display #Dancing #Discolight
It is suitable for ac/dc. Audio power level indicator indicating module ka2284 pin connections. The ka2284, ka2285 are monolithic integrated circuit.
The Ka2284, Ka2285 Are Monolithic Integrated Circuit.
Ka2284 datasheet, cross reference, circuit and application notes in pdf format. Electrical characteristics(ta=25°c,ta=25°c,vcc=6v,f=1khz, unless otherwise specified) characteristic symbol test condition min typ. Feeds parts directory manufacturer directory.
The Ka2284, Ka2285 Are Monolithic Integrated Circuit.
Short circuit protection, over voltage protection and under voltage indication. With 10 led or 5 leds per channel, it simple to builds and few parts. Is a monolithic integrated circuit.
The Ka2284, Ka2285 Are Monolithic Integrated Circuit.
It is a logarithmic display driver ic. Constant current output( 15ma) wide. How to make a vu meter by following the circuit diagram, using cd1403gs or ka2284 ic or ka2285 ic make your vu meter or audio level indicator.componant list.
Max Unit Supply Voltage Vcc 3.5.
It is a logarithmic display driver ic. The module uses the ka2284 led dot level meter driver ic to implement a logarithmic led dot indicator display.